Ghicitoarea Zilei

🎁Avem o surpriză pentru tine! Găsește răspunsul corect la ghicitoarea noastră ,, Are limba de cărbune, pe hârtie multe spune! Ce sunt?" Introdu răspunsul in sectiunea cod de reducere de la finalizarea comenzii și primești 5% reducere suplimentară pentru acest produs!

*Nu se poate cumula cu alte reduceri!

Set vas wc suspendat vortex cu capac soft close Oslo, rezervor incastrat si clapeta alba Geberit + CADOU

Foglia x Geberit
22 Review-uri
2.306,53 RON 1.720,50 RON
Economisesti: 586,03 RON
Setul contine vasul de wc suspendat vortex cu capac soft close Clementina Fluminia, rezervor incastrat Geberit plus clapeta alba si accesorii de ancorare in perete.
39 In stoc

Data de livrare: Joi, 19.03.2026

Limita stoc
Adauga in cos
Reduceri de Cantitate
De la Discount Pret / buc Economisesti
10 buc -8% 1.582,86 RON 1.376,40 RON +
25 buc -12% 1.514,04 RON 5.161,50 RON +
50 buc -15% 1.462,43 RON 12.903,75 RON +
Cod Produs: B2342 + 458.134.11.3 Ai nevoie de ajutor? 0371232595
Adauga la Favorite Cere informatii Comanda rapida
  • Descriere
  • Caracteristici
  • Video (1)
  • Review-uri (22)
Set rezervor Wc Incastrat Geberit cu set fixare si clapeta alba Duofix Delta

Rezervor wc incastrat Geberit Duofix cu clapeta inclusa cu sistem de fixare:


Setul rezervor WC incastrat Geberit cu set fixare si clapeta Duofix Delta este un produs de calitate superioara, perfect pentru a fi utilizat la instalarea vasului suspendat de toaleta.
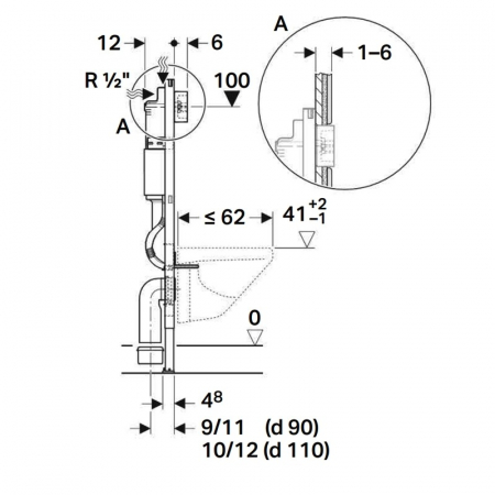
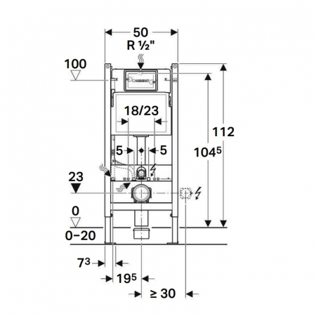
Acest set este fabricat dintr-un cadru metalic prevazut cu orificii ce masoara 500 x 1120 x 120 mm (latime, inaltime si adancime), ceea ce il face foarte usor de montat. Cadrul are o constructie realizata din metal si rezervorul este realizat din plastic.

Setul contine picioarele galvanizate reglabile intre 0-20 cm care permit instalarea corecta pe pardoseala nivelata sau inclinata. Rezervorul incastrabil se afla pozitiont integral în perete; acest lucru permite economia spatiilor mici și dă baii un aspect modern și elegant.

Rezervorul incastrat este ideal pentru proiecte noi sau renovari complete ale locuintei dumneavoastra. Mecanismele avansate Dual Flush reduc consumurile prin utilizarea cel putin doua volume diferite: volum mare/– mic – ambasand astfel protejarea mediului inconjuritor intr-o lume tot mai preocupată sa gaseasca soluti ecologice eficiente.
Clapeta rezervorului incastrat poate fi amplastata cu usurinta pe perete in fata vasului WC si se afla la dispozitia utilizatorilor pentru a actiona sistemul de evacuare. Setul este compatibil cu toate vasele suspendate, fiind recomandat atât în față cât și în spatele unui perete solid din cărămida, gips-carton sau lemn.

In concluzie , rezervorul Wc Incastrat Geberit cu set fixare si clapeta Duofix Delta poate sa ofere o solutie eficientă şi estetic plcut pentru cei care doresc să-și îmbunatățească baia prin instalarea unui wc suspendat modern – usor de intretinut dar mai important -care economiseste apa .

Pachetul contine urmatorale produse
  • Element de instalare Duofix pentru WC suspendat;

  • Rezervor incastrat Delta 12 cm;

  • Clapeta de actionate Delta 20

  • Accesorii de ancorare pe perete.

 

Caracteristici Element de instalare Geberit Duofix pentru wc suspendat cu rezervor incastrat Delta 12 cm:

  • Dimensiune: 500 x 1120 x 120 mm ( latime x inaltime x adancime );

  • Material: plastic si metal;

  • Finisaj: mat;

  • Culoare: albastru si alb;

  • Cadru autoportant prevazut cu orifcii ø 9 mm pentru eventuala fixare in structura de lemn;

  • Picioare de sustinere galvanizate si reglabile 0-20 cm;

  • Rezervor incastrat cu actionare din fata si izolatie impotriva condensului;

  • Mecanism de spalare Dual Flush;

  • Temperatura maxima a apei: 25 °C;

  • Setare din fabrica a volumului de spalare: 6 si 3 l;

  • Doua intervale de setare pentru volume de spalare: 3-4 l (volum mic) si 4.5 / 6 / 7.5 l (volum mare).

 

Caracteristici Clapeta de actionare Delta20 Geberit:

  • Dimensiune placa: 24.6x16.4 cm;

  • Fabricat din material plastic de inalta calitate;

  • Actionare din fata;

  • Economie de apa, cu doua volume de spalare;

  • Culoare: alb alpin 


Caracteristici Accesorii de ancorare pe perete:

  • Cu reglaj continuu al adancimii, din fata, cu reglaj rapid;

  • Racord de perete, cu rotire la 360°;

  • Tija filetanta M10, galvanizata.

 

Domenii de utilizare a rezervorului incastrat Geberit:

  • Constructie cu pereti usori;

  • Montare în instalatii aplicate la înaltimea elementului sau a incaperii;

  • Montare în pereti de instalatii la inaltimea incaperii;

  • Vase WC suspendate;

  • Spalare cu un volum de apa, cu două volume de apa sau spalare start-stop;

  • Grosimi de pardoseala de 0–20 cm;

 

Compatibilitate rezervorului incastrat:

  • Setul este recomandat pentru a fi instalat atat in fata cat si in spatele unui perete solid, fie din caramida, gips-carton sau lemn;

  • Recomandat pentru toate vasele wc suspendate.



Set vas wc vortex suspendat, Rotund, Foglia Oslo si capac softclose alb

Vas wc vortex suspendat, semirotund, Foglia Oslo si capac softclose alb


Setul vasului WC vortex suspendat semirotund Foglia Oslo cu capac softclose alb reprezintă o soluție excelentă pentru orice baie modernă și elegantă. Fabricat din ceramica sanitara de calitate superioară, acesta este robust si durabil în timp. Design-ul său inovator are o prindere ascuns iar suprafata sa finisată îi oferǎ un aspect curat și luminos.

Cu dimensiunea de 49 x 36,5 cm, setul Vas wc cu spalare vortex sau tornado poate fi instalat la perete fărǎ probleme sau dificultati si se livrează impreunã cu capac duroplast ce dispune atât de sistem quick release cât şi funcţia soft close care asigurã confort maxim utilizatorilor.
Vasul de wc suspendat Foglia Oslo a fost conceput și dezvoltat ca raspuns la nevoile actuale ale consumatorilor dornici sa achizitioneze produse high-end la preturi accesibile . Acest model vine echipat cu tehnologie Vortex ® care garanteaza igienza maxima prin eliminarea marginii interne unde murdaria raman adeseori precum si proprietatile auto-curative ale emailului antibacterian

Piesā este livratä direct cumparatorilui final in cutii speciale astfel incat aceasta sa ajung in siguranta pe mainile dumneavoastra. Înalta calitate a materialelor folosite confirma valoarea investitiei complete într-un produs performant construit pentru tine!

Împachetat către standardele cele mai ridicate și disponibil cu garanție produsului, setul vas wc vortex suspendat semirotund Foglia Oslo si capac softclose alb este o alegere excelentă pentru orice persoana care dorește să-și îmbunătățeascǎ baia și sa beneficieze de un design modern, eficient şi usor de utilizat.
 

Specificatii tehnice set vas wc vortex suspendat, semirotund, Foglia Oslo si capac softclose alb:

 
  • Prindere ascunsa, nu sunt suruburi vizibile si nici capace de protectie pe suprafata ceramicii
  • Forma: semirotunda
  • Produsul se fixeaza pe perete
  • Vas wc vortex (Apa este eliberată direcționat, nu doar în jos, ci tangențial, creând un efect de vârtej în interiorul vasului. Acest vârtej aspiră murdăria și distribuie apa uniform pe întreaga suprafață, cu presiune crescută și mai puțină stropire.
  • Culoare: alb
  • Dimensiune: 49 x 36,5 cm
  • Material: ceramica sanitara
  • Se livreaza impreuna cu capac (din duroplast ce este rezistent la zgarieturi) cu quick release si softclose



Avantaje ale tehnologiei vortex / TwistFlush:

 
  1. Curățare superioară: vârtejul creează o presiune constantă, ceea ce înseamnă mai puține urme și murdărie reziduală.

  2. Consum redus de apă: folosește eficient între 3–4,5 litri per spălare (în loc de 6–9 litri).

  3. Fără stropire: mișcarea circulară a apei minimizează riscul de stropire în afara vasului.

  4. Foarte silențios: este mult mai silențios decât spălările clasice.

  5. Igienă crescută: împreună cu designul vortex, elimină zonele în care se poate acumula murdăria.

Quick Release: capacele WC cu tehnologia Quick Release pot fi demontate si montate la loc prin doar cateva miscari. Astfel, capacul WC poate fi curatat usor avand acces in toate zonele greu de curatat.

Softclose: datorita amortizoarelor speciale integrate in balamale, capacele WC cu tehnologia "Softclose" (inchidere lenta), se inchid usor si silentios. Acest lucru imbunatateste confortul si previne zgomotele generate de trantirea capacului WC. Avantaje: inchiderea silentioasa a capacului WC si prevenirea accidentelor cauzate de trantirea capacului.
 

Despre brandul Foglia


Foglia este importator si distribuitor obiecte sanitare pentru baie, cu o atentie deosebita pentru calitatea produselor si finisajul lor. Toate obiectele sanitare sunt concepute si insipirate din cele mai noi trenduri in amenajarea interioara.
Sub deviza: calitate si design la cel mai bun pret, Foglia este un importator de referinta pentru baile cu design inovator. 


Set rezervor Wc Incastrat Geberit cu set fixare si clapeta alba Duofix Delta

Lungime: 500 mm

Inaltime: 1120 mm

Adancime: 120 mm

Culoare: Alb

Finisaj produs: Lucios

Tip actionare: Dubla

Tip produs: Rezervor incastrat wc

Material Rezervor: Metal, Plastic

Material Cadru: Metal, Plastic

Montaj: Incastrat

Garantie: 10 ani

Altele: contine set fixare si clapeta incluse

Cod EAN: 4025410695192

Forma: Dreptunghiulara


Set vas wc vortex suspendat, Rotund, Foglia Oslo si capac softclose alb

Finisaj produs: Lucios

Tip produs: Vas toaleta + capac

Garantie: 10 ani

Colectie: Oslo

Brand: Foglia

Cod EAN: 5940733400577

Montare: Suspendat

Culoare: Alb

Forma: Rotunda

Lungime: 490 mm

Latime: 365 mm

Inaltime: 360 mm

Material: Ceramica

Tip evacuare: Orizontala

Daca doresti sa iti exprimi parerea despre acest produs poti adauga un review.

Review-ul a fost trimis cu succes.
Achizitie verificata

Andrei Achim,

Am comandat pentru prima dată, ambalate extraordinar de bine Am avut puține emoții, dar voi reveni cu alte comenzi Mersi

Raspunde

A fost util acest review?

Achizitie verificata

Ana Tugui,

Sunt foarte mulțumită, pe lângă faptul ca este un produs bun, a fost ambalat impecabil.

Raspunde

A fost util acest review?

Achizitie verificata

Mihai B,

Am cumpărat acest produs și sunt foarte mulțumit. Livrarea este rapidă iar produsul este ambalat corespunzător.

Raspunde

A fost util acest review?

Achizitie verificata

Florin Toma,

Livrare super rapidă . Produse foarte bune, exact ca în descriere. Recomand!

Raspunde

A fost util acest review?

Achizitie verificata

Stefan Alexandru,

Foarte serioși recomand

Raspunde

A fost util acest review?

Achizitie verificata

Marin Petre,

Foarte mulțumit. Am avut unele dubii întrucât am achitat comanda online și vazusem unele review-uri negative. Am solicitat deschidere colet. Totul a fost ok. Recomand opțiunea deschidere colet (5 lei) pt obiectele fragile.

Raspunde

A fost util acest review?

Achizitie verificata

Ioan Rus,

Super ok

Raspunde

A fost util acest review?

Achizitie verificata

Grozav Romulus,

Toate la superlativ!Produse de calitate, transport la termen și seriozitate maxima!

Raspunde

A fost util acest review?

Achizitie verificata

Mariana Dumitru,

Un site f serios si prompt.Ambalare profesionala a coletului.Multumesc.

Raspunde

A fost util acest review?

Achizitie verificata

Ramona Duican,

Recomand cu încredere . Coletul a venit ffff bine ambalat și extrem de rapid.
Mulțumim?
Nota 10

Raspunde

A fost util acest review?

Achizitie verificata

Cristian Szilagyi,

Colaborare foarte buna cu, consultantii de la Foglia. Cu siguranta voi mai comanda produse de la ei

Raspunde

A fost util acest review?

Achizitie verificata

Alexandru Anghel,

Calitate foarte bună!

Raspunde

A fost util acest review?

Achizitie verificata

Marian tudosie,

Un produs foarte bun la un pret rezonabil

Raspunde

A fost util acest review?

Achizitie verificata

Necula Florin,

Livrare prompta

Raspunde

A fost util acest review?

Achizitie verificata

Petru Kifa,

Exact ce am asteptat, lucrez in străinătate si stiam ce înseamnă toaletele geberit. Daca vrei calitate la pret bun, comanzi de pe foglia.ro Cei mai buni!

Raspunde

A fost util acest review?

1 persoana a considerat acest review util!

Achizitie verificata

Bogdan Brideanu,

Super multumit

Raspunde

A fost util acest review?

1 persoana a considerat acest review util!

Achizitie verificata

Bogdan Brideanu,

Super multumit

Raspunde

A fost util acest review?

1 persoana a considerat acest review util!

Achizitie verificata

Baetica Leila,

Produs de calitate foarte buna colaborare din partea firmei excelenta . Transportul foarte rapid și fără probleme Recomand cu incredere

Raspunde

A fost util acest review?

1 persoana a considerat acest review util!

Achizitie verificata

iulia Garbovan,

Produsele sunt foarte calitative. Au ajuns ambalate perfect, pe paleti, iar livrarea cu verificare merita! WC-ul este rimless (fara acea rama interioara) si foarte usor de spalat. Recomand!

Raspunde

A fost util acest review?

1 persoana a considerat acest review util!

Achizitie verificata

Andrei Darcaci,

Promtitudine pentru livrare Produse conform prezentarii web - o mica problema am intampinat. Lipseste o protectie pentru partea de bazin, dar am trimis e-mail si sper sa se rezolve.

Raspunde

A fost util acest review?

Foglia,

Buna ziua, va multumim pentru feedbaqck, in general aceel capac de protectie din polistiren trebuia sa fie in cutia rezervorului, s-a mai intamplat ca instalatorii sa nu stie si sa-l arunce impreuna cu ambalajul, va rugam sa-l cautati cu atentie in caz contrar va rugam sa reveniti catre noi.

Achizitie verificata

MARIUS TANASE,

Produse conform asteptari.colaborare excelenta cu personalul Foglia. Multumesc

Raspunde

A fost util acest review?

Achizitie verificata

beatrice adam,

Foarte bun la preț pachetul...nu am avut probleme! Mulțumesc!

Raspunde

A fost util acest review?

Suport clienti Oricând de Luni pana Vineri - intre orele 09:00 - 17:00 (exceptând sărbătorile legale)

0371232595 comenzi@foglia.ro

Compara produse

Trebuie sa mai adaugi cel putin un produs pentru a compara produse.

A fost adaugat la favorite!

A fost sters din favorite!