Ghicitoarea Zilei

🎁Avem o surpriză pentru tine! Găsește răspunsul corect la ghicitoarea noastră ,, Are limba de cărbune, pe hârtie multe spune! Ce sunt?" Introdu răspunsul in sectiunea cod de reducere de la finalizarea comenzii și primești 5% reducere suplimentară pentru acest produs!

*Nu se poate cumula cu alte reduceri!

Set vas wc suspendat tornado cu capac soft close Deante Jasmin, rezervor incastrat si clapeta alba Geberit + CADOU

Deante x Geberit
2.496,15 RON 1.981,43 RON
Economisesti: 514,72 RON
Set vas wc suspendat tornado cu capac soft close, Deante Jasmin si rezervor wc incastrat Geberit cu set fixare si clapeta alba Duofix Delta
2 In stoc

Data de livrare: Marti, 10.03.2026

Limita stoc
Adauga in cos
Cod Produs: CDJD6ZPW + 458.134.11.3 Ai nevoie de ajutor? 0371232595
Adauga la Favorite Cere informatii Comanda rapida
  • Descriere
  • Caracteristici
  • Video (2)
  • Review-uri (0)
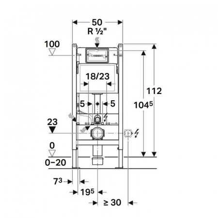
Set rezervor Wc Incastrat Geberit cu set fixare si clapeta alba Duofix Delta

Rezervor wc incastrat Geberit Duofix cu clapeta inclusa cu sistem de fixare:


Setul rezervor WC incastrat Geberit cu set fixare si clapeta Duofix Delta este un produs de calitate superioara, perfect pentru a fi utilizat la instalarea vasului suspendat de toaleta.
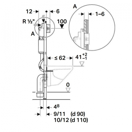
Acest set este fabricat dintr-un cadru metalic prevazut cu orificii ce masoara 500 x 1120 x 120 mm (latime, inaltime si adancime), ceea ce il face foarte usor de montat. Cadrul are o constructie realizata din metal si rezervorul este realizat din plastic.

Setul contine picioarele galvanizate reglabile intre 0-20 cm care permit instalarea corecta pe pardoseala nivelata sau inclinata. Rezervorul incastrabil se afla pozitiont integral în perete; acest lucru permite economia spatiilor mici și dă baii un aspect modern și elegant.

Rezervorul incastrat este ideal pentru proiecte noi sau renovari complete ale locuintei dumneavoastra. Mecanismele avansate Dual Flush reduc consumurile prin utilizarea cel putin doua volume diferite: volum mare/– mic – ambasand astfel protejarea mediului inconjuritor intr-o lume tot mai preocupată sa gaseasca soluti ecologice eficiente.
Clapeta rezervorului incastrat poate fi amplastata cu usurinta pe perete in fata vasului WC si se afla la dispozitia utilizatorilor pentru a actiona sistemul de evacuare. Setul este compatibil cu toate vasele suspendate, fiind recomandat atât în față cât și în spatele unui perete solid din cărămida, gips-carton sau lemn.

In concluzie , rezervorul Wc Incastrat Geberit cu set fixare si clapeta Duofix Delta poate sa ofere o solutie eficientă şi estetic plcut pentru cei care doresc să-și îmbunatățească baia prin instalarea unui wc suspendat modern – usor de intretinut dar mai important -care economiseste apa .

Pachetul contine urmatorale produse
  • Element de instalare Duofix pentru WC suspendat;

  • Rezervor incastrat Delta 12 cm;

  • Clapeta de actionate Delta 20

  • Accesorii de ancorare pe perete.

 

Caracteristici Element de instalare Geberit Duofix pentru wc suspendat cu rezervor incastrat Delta 12 cm:

  • Dimensiune: 500 x 1120 x 120 mm ( latime x inaltime x adancime );

  • Material: plastic si metal;

  • Finisaj: mat;

  • Culoare: albastru si alb;

  • Cadru autoportant prevazut cu orifcii ø 9 mm pentru eventuala fixare in structura de lemn;

  • Picioare de sustinere galvanizate si reglabile 0-20 cm;

  • Rezervor incastrat cu actionare din fata si izolatie impotriva condensului;

  • Mecanism de spalare Dual Flush;

  • Temperatura maxima a apei: 25 °C;

  • Setare din fabrica a volumului de spalare: 6 si 3 l;

  • Doua intervale de setare pentru volume de spalare: 3-4 l (volum mic) si 4.5 / 6 / 7.5 l (volum mare).

 

Caracteristici Clapeta de actionare Delta20 Geberit:

  • Dimensiune placa: 24.6x16.4 cm;

  • Fabricat din material plastic de inalta calitate;

  • Actionare din fata;

  • Economie de apa, cu doua volume de spalare;

  • Culoare: alb alpin 


Caracteristici Accesorii de ancorare pe perete:

  • Cu reglaj continuu al adancimii, din fata, cu reglaj rapid;

  • Racord de perete, cu rotire la 360°;

  • Tija filetanta M10, galvanizata.

 

Domenii de utilizare a rezervorului incastrat Geberit:

  • Constructie cu pereti usori;

  • Montare în instalatii aplicate la înaltimea elementului sau a incaperii;

  • Montare în pereti de instalatii la inaltimea incaperii;

  • Vase WC suspendate;

  • Spalare cu un volum de apa, cu două volume de apa sau spalare start-stop;

  • Grosimi de pardoseala de 0–20 cm;

 

Compatibilitate rezervorului incastrat:

  • Setul este recomandat pentru a fi instalat atat in fata cat si in spatele unui perete solid, fie din caramida, gips-carton sau lemn;

  • Recomandat pentru toate vasele wc suspendate.



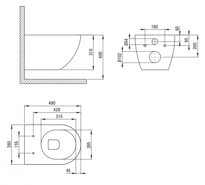
Vas wc suspendat tornado Deante Jasmin cu capac soft close inclus, alb

Descriere vas wc suspendat sistem spalare tornado Deante Jasmin cu capac soft close inclus, alb

 
  • culoare: alb
  • material: ceramica sanitara
  • montare: suspendat
  • spalare torndato
  • capac wc inclus
  • kit de montare inclus
  • garantie: 10 ani
 

Despre brand Deante

 

Deante este un producător de articole de înaltă calitate pentru baie și bucătărie. Produc in special: baterii bucatariebaterii baie, chiuvete bucatarie din otel, granit si ceramica, paravane dus si cabine de dus.

De mai bine de 30 de ani, producătorul polonez a primit încrederea clienților și partenerilor săi, ceea ce a fost dovedit prin numeroase premii, nominalizări și titluri.

 

Compania Deante promovează filozofia PROECO care se concentrează pe economisirea apei prin includerea de produse special concepute.

De ani de zile, Deante se concentrează pe dezvoltarea fabricilor moderne de producție. Datorită propriilor fabrici, au control deplin asupra procesului de producție.

Folosesc roboți și mașini avansate din punct de vedere tehnologic. Totul se face după proceduri și standarde stricte. 

 

Produsele Deante sunt supuse unui control de calitate în trei etape. Prima etapă are loc în fabrică, nu numai în fiecare etapă a procesului de producție, ci și imediat după finalizare.

A doua etapă are loc în Departamentul de control al calității, chiar înainte ca produsele să fie expediate către magazinele din întreaga lume.

A treia etapă este verificarea parametrilor tehnici selectați ai produselor în laboratorul modern Deante din Departamentul de Cercetare și Dezvoltare.




Set rezervor Wc Incastrat Geberit cu set fixare si clapeta alba Duofix Delta

Lungime: 500 mm

Inaltime: 1120 mm

Adancime: 120 mm

Culoare: Alb

Finisaj produs: Lucios

Tip actionare: Dubla

Tip produs: Rezervor incastrat wc

Material Rezervor: Metal, Plastic

Material Cadru: Metal, Plastic

Montaj: Incastrat

Garantie: 10 ani

Altele: contine set fixare si clapeta incluse

Cod EAN: 4025410695192

Forma: Dreptunghiulara


Vas wc suspendat tornado Deante Jasmin cu capac soft close inclus, alb

Finisaj produs: Lucios

Tip produs: Vas toaleta + capac

Garantie: 10 ani

Colectie: Jasmin

Brand: Deante

Cod EAN: 5907650827771

Montare: Suspendat

Culoare: Alb

Lungime: 490 mm

Latime: 360 mm

Inaltime: 310 mm

Material: Ceramica sanitara

Tip evacuare: Orizontala

Forma: Ovala

Daca doresti sa iti exprimi parerea despre acest produs poti adauga un review.

Review-ul a fost trimis cu succes.

Suport clienti Oricând de Luni pana Vineri - intre orele 09:00 - 17:00 (exceptând sărbătorile legale)

0371232595 comenzi@foglia.ro

Compara produse

Trebuie sa mai adaugi cel putin un produs pentru a compara produse.

A fost adaugat la favorite!

A fost sters din favorite!